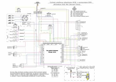
Great Wall Deer /Sailor/So Cool/Safe/Sing/Pegasus(service manual) 2006.



- Аннотации по ремонту и обслуживанию- Чертежи и электронные схемыНа британском языке + дополнительно эл.схемы на российском языке.
Год выпуска: 2006Автор: Great Wall Motor Company Limited
Формат: PDF , программка для открытия PDF
Внимание! У вас нет прав для просмотра скрытого текста. Зарегистрируйтесь!
Количество страничек: 484размер : 13 мб.
Внимание! У вас нет прав для просмотра скрытого текста. Зарегистрируйтесь!